产品展示


LED 3528贴片 蓝光
所属类别
发布时间
最后更新 浏览次数
详情介绍

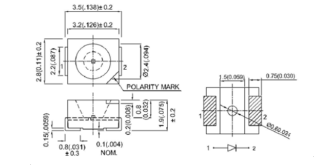
产品参数:
型 号 | 颜色 | 功率/W | 电流(MA) | 电压(V) | 色温K/波长NM | 光通量(LM) | 发光角度(°) | 显指RA |
XK-3528W-0.06W | 暖白 | 0.06 | 20 | 3.0-3.4 | 2000-3200K | 6-9 | 120 | 70/80 |
XK -3528W-0.06W | 自然白 | 0.06 | 20 | 3.0-3.4 | 4000-4500K | 6-9 | 120 | 70/80 |
XK -3528W-0.06W | 正白 | 0.06 | 20 | 3.0-3.4 | 6000-6500K | 6-9 | 120 | 70/80 |
XK -3528W-0.06W | 冷白 | 0.06 | 20 | 3.0-3.4 | 8000-15000K | 6-9 | 120 | 70/80 |
XK -3528R-0.06W | 红色 | 0.06 | 20 | 1.8-2.2 | 620-625NM | 400-500MCD | 120 | / |
XK -3528Y-0.06W | 黄色 | 0.06 | 20 | 1.8-2.2 | 590-595NM | 400-500MCD | 120 | / |
XK -3528G-0.06W | 绿色 | 0.06 | 20 | 3.0-3.4 | 520-530NM | 1000-1200MCD | 120 | / |
XK -3528B-0.06W | 蓝色 | 0.06 | 20 | 3.0-3.4 | 455-465NM | 350-450MCD | 120 | / |
XK -3528IB-0.06W | 冰蓝 | 0.06 | 20 | 3.0-3.4 | 100000K | 3-4 | 120 | / |
XK -3528P-0.06W | 粉红 | 0.06 | 20 | 3.0-3.4 | 3500-4000K | 200-300MCD | 120 | / |
XK -3528PL-0.06W | 紫色 | 0.06 | 20 | 3.0-3.4 | 395-405NM | 40-60MCD | 120 | / |
应用:
本产品体积小,属于早期开发的SMD LED,主要用于室内照明、商业照明、工业照明领域。如LED照明产品,LED装饰产品,LED背光产品、灯饰照明、背光源显示(LCD,广告牌)、汽车灯等。






